Volvo C70 Wiring Diagram Wiring Diagram 2001 C70 Convertible
Volvo c70 (1998. Volvo c70 s70 v70 2000 (early design) electrical wiring diagram manual. 1999-2000 volvo c70 s70 v70 wiring diagrams service manual
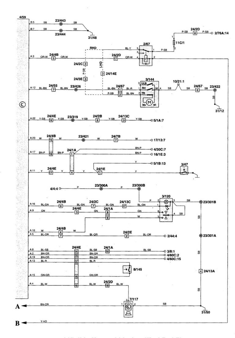
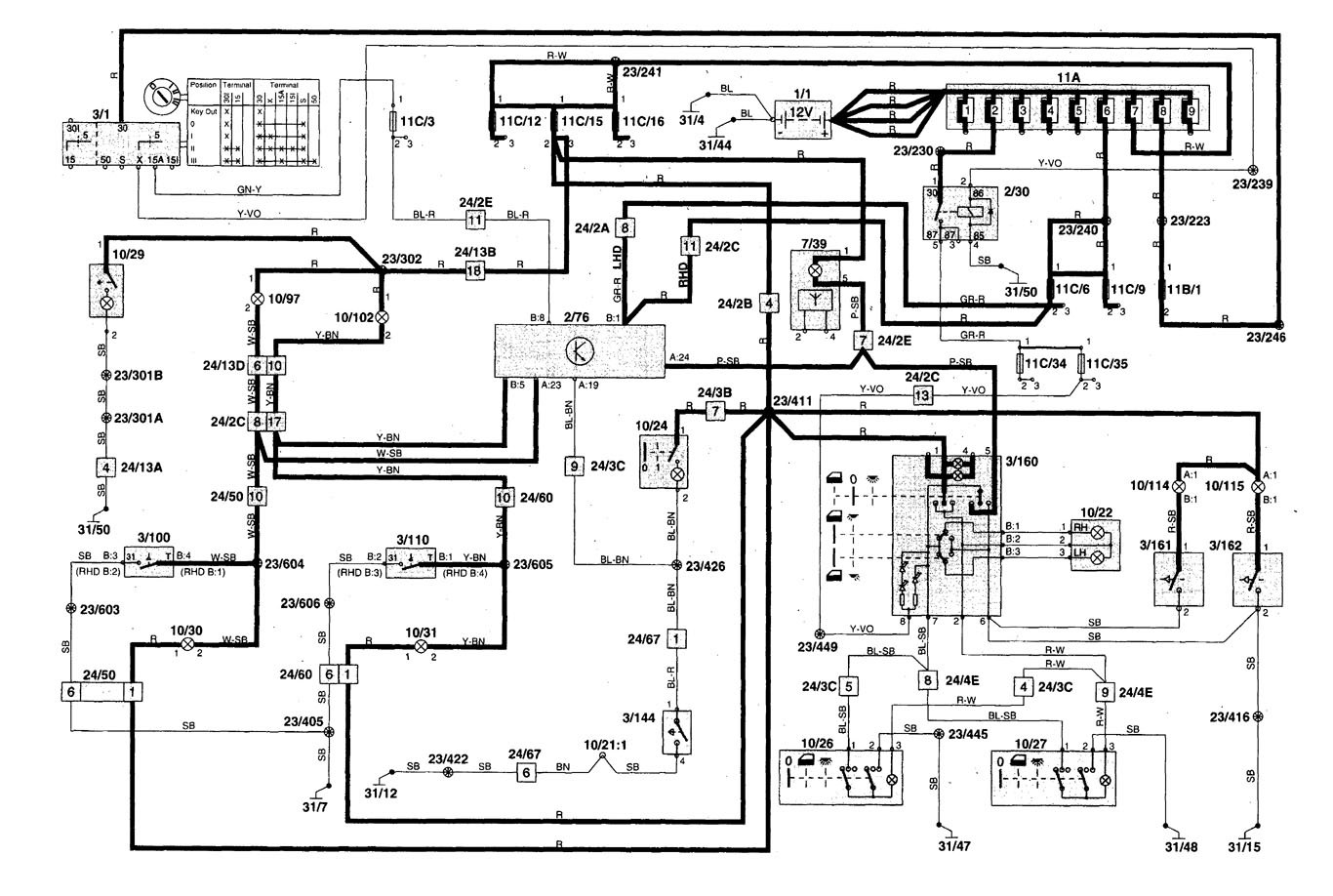
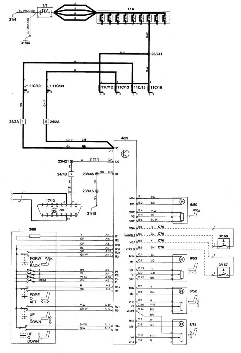
volvo c70 wiring diagram
Download PDF
Wiring diagram for 2004 volvo c70


Volvo c70 v70 s70. Volvo c70 (1998. I have a 2000 volvo c70 2.4l turbo and few months ago the cooling fan. 1998 volvo c70 engine diagram
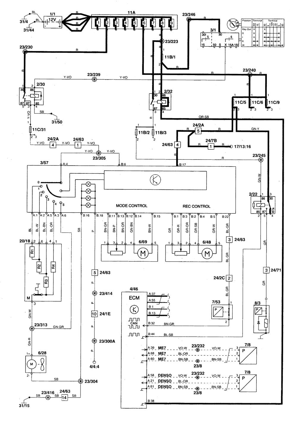
Volvo C70 (1998 - 2004) - wiring diagrams - power windows - CARKNOWLEDGE
Volvo C70 (1998 - 2004) - wiring diagrams - cigar lighter
Wiring Diagram Volvo C70 - POLITIKHANCUSS
1998 Volvo C70 Wiring Diagram - Diagram Database
1998 Volvo C70 Engine Diagram - 1998 Volvo Suspension Diagram Wiring

No hay comentarios:
Publicar un comentario